Мы используем cookie для наилучшего представления нашего сайта. Подробнее об этом в Политике конфиденциальности.
Ок

Арзамас

Ваш город:
Арзамас (Нижегородская область)?
Нет
Да
Каталог
Каталог Написать в WhatsApp
Мотоэкипировка

Корпус редуктора (карданный вал) (стандартное / обратное вращение) 4-Х ТАКТНОГО ПЛМ MERCURY 135 Серийный номер от 1B2270001 до 1B381711

Корпус редуктора (карданный вал) (стандартное / обратное вращение) 4-Х ТАКТНОГО ПЛМ MERCURY 135 Серийный номер от 1B2270001 до 1B381711 в Нижнем Новгороде: актуальный каталог, цены, фото, описание. Купите корпус редуктора (карданный вал) (стандартное / обратное вращение) 4-х тактного плм mercury 135 серийный номер от 1b2270001 до 1b381711 в кредит – оформите заявку онлайн за 1 минуту!

Оригинальные запчасти

Артикул НАИМЕНОВАНИЕ Кол-во деталей в узле Примечание Наличие Цена Аналоги Фото
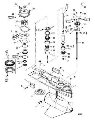
1 880686T23 Редуктор (GEAR HOUSING ASSEMBLY, Complete)

Под заказ

1

Под заказ

уточнить

Купить
2 880686T24 Редуктор (GEAR HOUSING ASSEMBLY, Complete)

Под заказ

1

Под заказ

уточнить

Купить
3 880686T28 GEAR HOUSING ASSEMBLY, Complete

Под заказ

1

Под заказ

уточнить

Купить
4 880686T25 GEAR HOUSING ASSEMBLY, Complete

Под заказ

1

Под заказ

уточнить

Купить
5 880687T01 GEAR HOUSING ASSEMBLY, Basic

Под заказ

1

Под заказ

уточнить

Купить
6 821526001 Блок-прокладка (FILLER BLOCK)

Под заказ

1

Под заказ

уточнить

Купить
7 43044 Штифт (PIN, Dowel - Without Hole (.375 x .625))

Под заказ

2

Под заказ

уточнить

Купить
8 826134Q Цинковая защитная пластина (ANODE @3)

Под заказ

1

Под заказ

уточнить

Купить
9 4000333 Болт (SCREW)

Под заказ

1

Под заказ

уточнить

Купить
10 401386 Гайка (NUT-M6 HEX, NYL I)

Под заказ

1

Под заказ

уточнить

Купить
11 79953A04 PLUG ASSEMBLY, (.375-16 x .250) Drain

Под заказ

1

Под заказ

уточнить

Купить
12 830749 Сальник (SEAL)

Под заказ

1

Под заказ

уточнить

Купить
13 76214T5 ANODIC PLATE

Под заказ

1

Под заказ

уточнить

Купить
14 76214Q5 Защитный анод (ANODE KIT @2)

Под заказ

1

Под заказ

уточнить

Купить
15 806327 Болт (SCREW)

Под заказ

1

Под заказ

уточнить

Купить
16 881866 Фитинг (FITTING)

Под заказ

1

Под заказ

уточнить

Купить
17 8M0047129 COVER ASSEMBLY

Под заказ

1

Под заказ

уточнить

Купить
18 8164641 Сальник (SEAL)

Под заказ

1

Под заказ

уточнить

Купить
19 896522 Уплотнительное кольцо (O-RING, (799 x .103))

Под заказ

1

Под заказ

уточнить

Купить
20 8M0046563 Стопорное кольцо (RETAINING RING)

Под заказ

1

Под заказ

уточнить

Купить
21 77674 Шайба (WASHER)

Под заказ

1

Под заказ

уточнить

Купить
22 880729 Прокладка (GASKET)

Под заказ

1

Под заказ

уточнить

Купить
23 824145 Вал переключения передач (SHIFT SHAFT (LOWER))

Под заказ

1

Под заказ

уточнить

Купить
24 35921 Гайка

Под заказ

1

Под заказ

уточнить

Купить
25 92721 Шайба (WASHER@2)

Под заказ

1

Под заказ

уточнить

Купить
26 42647A1 Подшипник приводного вала нижний (BEARING ASSY)

Под заказ

1

Под заказ

уточнить

Купить
27 895835 Приводной вал L (DRIVESHAFT)

Под заказ

1

Под заказ

уточнить

Купить
28 895836 Приводной вал (DRIVESHAFT)

Под заказ

1

Под заказ

уточнить

Купить
29 884327A02 Подшипник (SHIM/BEARING ASSY)

Под заказ

1

Под заказ

уточнить

Купить
30 38657A1 SHIM ASSEMBLY, REAR DRIVE SHAFT

Под заказ

1

Под заказ

уточнить

Купить
31 8245191 RETAINER

Под заказ

1

Под заказ

уточнить

Купить
32 817275A09 Водяная помпа Verado (WATER PUMP-COMP)

Под заказ

1

Под заказ

уточнить

Купить
33 861415A1 Рем. набор помпы (SEAL KIT)

Под заказ

1

Под заказ

уточнить

Купить
34 43026T2 Крыльчатка (IMPELLER-W/P)

Под заказ

1

Под заказ

уточнить

Купить
35 8172761 Зеркало помпы - шайба плоская стальная

Под заказ

1

Под заказ

уточнить

Купить
36 880719 Кольцо (RETAINING RING)

Под заказ

1

Под заказ

уточнить

Купить
37 8M0007131 Втулка (CARRIER ASSEMBLY, Oil Seal)

Под заказ

1

Под заказ

уточнить

Купить
38 896523 Уплотнительное кольцо (O-RING, (2.175 x .103))

Под заказ

1

Под заказ

уточнить

Купить
39 8M0032833 Шпонка (KEY)

Под заказ

1

Под заказ

уточнить

Купить
40 8172771 Прокладка (GASKET-WATER PUMP)

Под заказ

1

Под заказ

уточнить

Купить
41 430331 Прокладка (GASKET)

Под заказ

1

Под заказ

уточнить

Купить
42 85944975 TUBING, (72.00 Inches Bulk), Cut to 40.00 Inch Length

Под заказ

1

Под заказ

уточнить

Купить
43 830749A01 Комплект сальников (SEAL KIT G/H)

Под заказ

1

Под заказ

уточнить

Купить
44 8M0100526 Рем. набор помпы (REPAIR KIT - IMP)

Под заказ

1

Под заказ

уточнить

Купить
45 817275A08 Рем.набор помпы Verado верх (REPAIR KIT W/P UP)

Под заказ

1

Под заказ

уточнить

Купить

Нулевая цена не означает отсутствие товара. Оформите заказ, и менеджер сообщит вам цену и наличие товара, предварительно запросив их у поставщика

Главная Магазины
Корзина0
Профиль